-
歌舞廳、迪廳音響設計
歌舞廳由于舞池地面光滑平整,加之有不少燈具吊掛在舞池上方,聲反射比較強,所以聲場設計時應考慮增強直達聲的強度,一般有舞臺及舞池的情況下,可以考慮在舞臺兩側擺放主音箱,在舞池四周或舞池上方設置舞池的聲源,舞臺兩側的主音箱應該考慮全頻帶音箱加重低音音箱的方案,這樣能充分達到跳舞時需要的低音倍司效果,音箱操作人員調音比較方便,對人對低音單元調節而不影響整體音量,而對舞池供聲的聲源最優方案是選用體積不大
詳細內容 -
中小型多功能廳、階梯教室等語音為主的場合的擴聲系統
對于以開會講課,學術交流等用途的擴聲系統要求,以保證語言清晰度可懂度為首要條件,一般是采用分散式供聲方式,例如采用吸頂揚聲器供聲的優點是聲場均勻,每位觀眾聽到的都是以直達聲為主,所以語言清晰度可懂度比較高,并且不容易因為聲回授而引起嘯叫,如果還要兼用于文藝活動,則可以考慮設置一套以主音箱為主的揚聲器系統,作為文藝活動使用,而會議或其他語言類活動時以吸頂揚聲器供聲為主,在小型會議室也可以用小型壁掛
詳細內容 -
體育場音響工程設計舉例
體育場雖然與體育館相似,但是體育場有自己的特點,體育場一般都是不封頂的,體型也比體育館大得多,觀眾席一般也比體育館多,大多四周都有觀眾席,并且每邊的觀眾席排數也多,從下面第一排到頂部最后一排之間的高度差大,目前興建的體育場大多四周觀眾席都有雨棚,并且最近幾年興建的體育場多采用索膜結構雨棚,形狀差別較大,所用塑料復合膜的吸聲系數非常小,體育場采用索膜結構雨棚后,加上體育場都是鋼筋水泥結構的建筑,表
詳細內容 -
體育館音響工程設計舉例
對于體育館我們不準備向上面對禮堂這樣來全面討論全面的設計步驟,我們只準備根據體育館的特點來討論怎樣供聲,怎樣設計聲場,以及需要單獨考慮的一些事項,體育館的特點是高度高,空間大,一般在裝修上不采用太多較高吸聲系數的材料,所以總體上來說體育館的混響時間普遍比較長,能達到標準JGJ/T-2009,J42-2009(體育館聲學設計及測量規程)標準要求的相對比較少,再考慮到固定的擴聲系統主要作為比賽時使用,當文藝演出時幾乎都采用流
詳細內容 -
禮堂音響工程設計舉例續--設計施工圖
(1)設計管線布置圖 要注明用什么規格的穿線管幾根、走什么規格的導線幾根。擴聲系統的走線一定要注意不要和燈光線,動力電源線等強干擾線并排走,要注意保持一定的距離,尤其不能在一根穿線管中走。穿線管要選擇防火阻燃的管材,例如阻燃PVC管材,最好能用鐵質鍍鋅穿線管,在室內使用可以用壁厚薄的,在室外地下使用則應選壁厚厚一些的,如果建筑設計中有弱電橋架的話,可以走橋架,選擇穿線管時面積要留有足夠余量,導線所在面
詳細內容 -
禮堂音響工程設計舉例續--設計擴聲系統框圖
現在我們可以設計系統框圖配置系統設備,其中功率放大器的選型應該根據所用音響的功率來選擇,一般來說對于專業擴聲系統,推薦定阻功率放大器的額定功率比定阻音箱的額定功率大3dB,也就是功率大一倍,以上面所選主音箱的額定功率為300W為例,則照理所選功率放大器的額定功率以600W為好。但是我們發現MS112二分頻全頻帶音箱的技術指標部分說明了推薦功率放大器的額定功率400瓦,所以在選擇功率放大器額定功率時,可以考慮在400-600W之間選
詳細內容 -
禮堂音響工程設計舉例
一個機關禮堂,平時作為會議廳用,有時也用來文藝演出,實際上可以看作多功能廳,觀眾廳的長25米,寬25米,平均高度7.5米,無眺臺,有一個鏡框式舞臺,會議時作為主席臺用,演出時作為舞臺用,沒有樂池,觀眾廳設936個座位,容積V為4670m3,室內總表面積s為1950㎡,根據室內裝修布置,結合吊頂、舞臺口、墻面、走到地面、門、玻璃窗、座椅的具體情況計算出空場和滿場時各頻率的平均吸聲系數和混響時間,如表9-17所示,混響時間根據本書第
詳細內容 -
音響設備相位關系的正確處理
一、相位正確的重要性 所謂相位關系,是指揚聲器與揚聲器之間的相位關系和傳聲器與傳聲器之間的相位關系,這兩種相位關系最重要,因為若揚聲器與揚聲器之間的相位不對,將使聲波產生干擾現象而消弱,另外左右兩聲道之間的相位相反還使聲像位置偏移,而傳聲器與傳聲器之間相位不對,將使傳聲器輸出的電信號在加到調音臺母線上時起相互抵消作用,使信號減弱。 二、檢察系統的相位 (1)揚聲器相位檢查,左右聲道揚聲器之間的相位檢查
詳細內容 -
音響系統接口的配接原則
一、系統中相鄰單元的電平配接 (1)傳聲器與調音臺(或前置放大器)的配接,傳聲器的輸出電壓小,尤其是動圈式傳聲器,其靈敏度要比電容式傳聲器第20db左右。所以要求調音臺傳聲器輸入口要有足夠高的靈敏度,一般要有-60db左右,對于電容式傳聲器要求調音臺輸入靈敏度在-40db左右。無線傳聲器接收機的音頻輸出電平一般在-10db左右,所以一般從調音臺的線路輸入口輸入,也有個別型號的無線傳聲器接收機的音頻輸出電平只有-30db左右。對于這
詳細內容 -
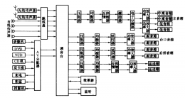
音響系統的構成和工作原理
一、音響系統框圖舉例 音響系統框圖舉例見圖8-1,這是一個歌舞廳音響系統,當然具體到某一個歌舞廳還得視歌舞廳幾何尺寸、形狀、要求水平高低、資金情況來具體設計,增減設備,例如需要時還可配上攝像機,把歌舞者的形象在屏幕上顯示出來,以增加氣氛。 二、各單元在系統中的作用 (1)調音臺,調音臺是音響系統中的主要設備,其任務是對各路音頻電信號進行必要的技術處理和效果處理,一合適的電平值加以混合、分配,然后傳輸給重放
詳細內容 -
音響工程中壓限器的正確使用
壓限器在系統中的位置,壓線器通常接在調音臺的后面,并且大多數系統中,包接在房間均衡器前面,二壓線器的調節,繞線器的主要調節參數有壓限器的閥值電平,壓縮比,啟動時間,恢復時間和限幅器的閥值電平。 (1),閥值電平的調節,壓限器的閥值電平不易選得過高,選得過高,起不到壓限作用,后面設備仍然可能出現削波,發至電瓶也不易選的太低,選擇太低則在節目信號的整個過程中,大部分時間處于壓縮狀態,使信號嚴重失真,降低
詳細內容
掃描二維碼分享到微信
下載二維碼

